Motoren mit einer Drehzahlübersetzung von 1:2 werden häufig in der Dahlanderschaltung ausgeführt (z.B. 1400/2800 oder 700/1400). Andere Übersetzungen werden normalerweise als zwei getrennte Wicklungen ausgeführt. Es gibt verschiedene arten der Dahlanderschaltung es kann die Drehzahl und auch die Drehrichtung geändert werden.
Anschluss der Dahlanderschaltung für zwei Geschwindigkeiten
- Wird L1/L2/L3 an U1/V1/W1 angelegt dann dreht sich der Motor in der niedrigen Drehzahl.
- Werden U1/V1/W1 gebrückt und L1/L2/L3 an U2/V2/W2 angelegt dreht der Motor in einer höheren Drehzahl.
Die Dahlanderschaltung mit zwei Stufen werden häufig in Lüftermotoren (Motoren in RLT Anlagen) verwendet. Die Schaltung unten ist eine Dahlanderschaltung die über Hand in die Stufe eins eingeschaltet, dann über Hand in die zweite Stufe geschaltet und dann über Aus, ausgeschaltet wird. Diese Schaltung kommt oft in Ställen oder Hallen zur Anwendung wo die Lüftung von Hand geschaltet wird.
Optional kann der Kontakt 14 von K3 auch wie blau dargestellt verdrahtet werden. In diesem Fall wird von der Stufe zwei wieder in die Stufe ein geschaltet. Allerdings sollte hier ggf. ein Zeitrelais verwendet werden.
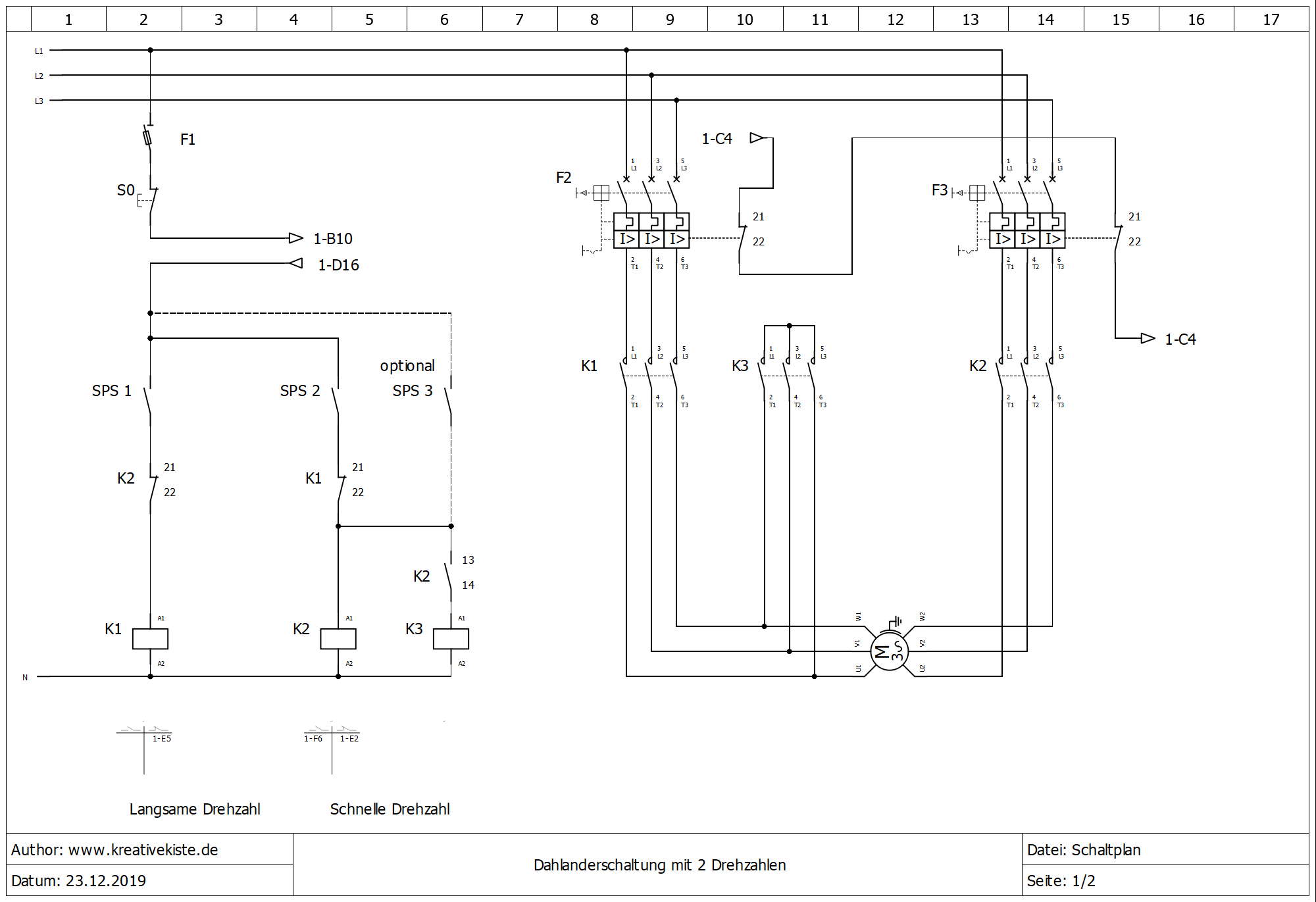
Wird die Dahlanderschaltung mit einer SPS, GLT oder Regelung automatisiert, fallen natürlich die Handtaster weg und die Regelung übernimmt das ansteuern der Schütze.
Hier ein sehr alter Schaltschrank mit einer Dahlanderschaltung.






