Herr Schöntal möchte sein Garagentor elektrisch öffnen. Deshalb geht er in ein Elektrofachgeschäft und lässt sich beraten. Er möchte keine 08/15 Steuerung sondern eine edle Sonderanfertigung, damit er am Stammtisch prahlen kann. Im Gespräch mit Herr Kurzem, dem Elektriker, fallen Herr Schöntal nach und nach immer mehr Extras ein, die der Elektriker nun umsetzen soll bis er das beste elektrische Garagentor in der Stadt hat.
Das Garagentor soll aufgehen:
Herr Schöntal möchte, dass sein Garagentor von alleine aufgeht. Das ist doch mal eine guter Anfang. Drückt Herr Schöntal nun auf S1 zieht der Schütz K1 an und der Kontakt 1/2 schließt sich, das Garagentor geht auf. Lässt Herr S. den Taster los, fällt der Schütz ab und der Motor bliebt stehen.
Sicherheit geht beim Garagentorantrieb vor: Klappe die Erste:
Das gefällt Herrn Kurzem, dem Elektriker, aber nicht. Eine Sicherung muss noch eingebaut werden, sollte nun ein Kurzschluss oder ähnliches auftreten, so kann nichts passieren.
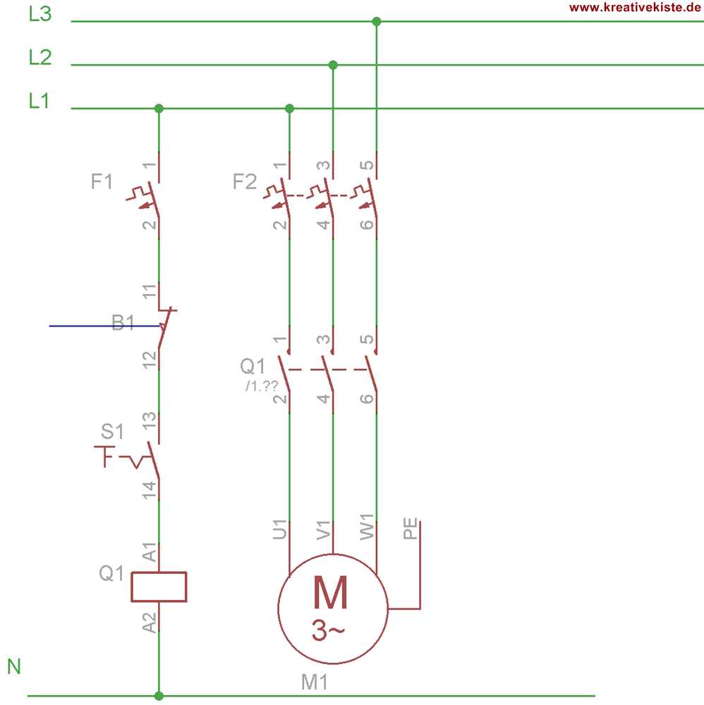
Herr S. ist begeistert und will die Schaltung so bestellen. Auf Nachfrage des Elektrikers legt Herr Schöntal nun das Datenblatt des Motors vor. Der Motor ist ein Drehstrommotor. Da brauchen wir wohl einen Schütz mit mehreren Kontakten sagt der Elektriker.
Mehrere Kontakte bei einer Schützschaltung:
Das Tolle an Schützen ist ja, dass sie mehrere Kontakte auf einmal schalten können. Zum Beispiel kann ein Drehstrommotor mit 3 Phasen ein- und ausgeschaltet werden.
Das ist toll, aber was ist wenn ich den Taster zu lange drücke, fragt Herr Schöntal. Dann geht doch das Tor kaputt.
Sicherheit geht beim Garagentorantrieb vor: Klappe die Zweite:
Ja, meint der Elektriker, deshalb bauen wir noch einen Endschalter ein. Ist das Tor ganz oben, stößt es an den Schalter und öffnet seine Kontakte. K1 hat keine Spannung mehr und der Motor stoppt.
Ich will aber nicht jedesmal an dem Taster stehen und warten bis das Tor ganz oben ist, empört sich Herr Schöntal. Das Tor soll ganz alleine nach oben fahren. Problem gelöst.... wir ersetzen den Taster durch eine Schalter und schon müssen Sie nicht mehr stehen bleiben und warten, meint der Elektriker.
Aber, fängt Herr Schöntal von neuem an, das Tor muss doch auch wieder herunter. Können Sie das nicht auch gleich mit einbauen?
Garagentor Öffner und Schließer:
Puh, natürlich kann ich das. Dann bauen wir eben einen zweiten Schütz ein. Sehen Sie? Wenn Sie nun S1 Schalten, dann fährt das Tor hoch. Wird S2 eingeschaltet, dann fährt das Tor herunter. Toll oder?
Ja das ist toll bestätigt der Elektriker. Ein paar Kleinigkeiten fehlen aber noch. Zum Einen brauchen wir noch einen zweiten Endschalter, damit das Tor nicht zu weit hoch und nicht zu weit herunter fahren kann.
Schütz Verriegelung für das Garagentor:
Außerdem könnte es passieren, dass sie vergessen einen Schalter auszuschalten. Dann würde es einen Kurzschluss geben. Nein, das darf nicht sein, bestätig Herr Schöntal aber was machen wir denn da?
Ganz einfach: Wir bauen eine Schützverriegelung ein. Wenn K1 eingeschaltet ist, dann öffnet sich ein Kontakt vor K2 und er kann nicht mehr angehen. Das Gleiche gilt für K1. Hat K2 angezogen, dann ist ein Kontakt vor K1 geöffnet und K1 kann nicht anziehen. Tol!, freut sich Schöntal.
Schütz Selbsthaltung für das Garagentor:
Aber eine Frage hätte ich noch, denn das mit den Schaltern gefällt mir nicht so sehr. Ich möchte nicht immer einen Schalter ein und aus schalten. Geht das nicht auch mit Tastern? Klar geht das, sagt der Elektriker, mit einer Schütz Selbsthaltung.
Wenn S1 gedrückt wird, zieht K1 an und der Kontakt 13/14 im Strompfad 3 schließt sich. Wird S1 nun los gelassen, bleibt der Kontakt 13/14 trotzdem geschlossen und K1 damit angezogen. Erst wenn das Tor ganz oben oder ganz unten ist, löst sich die Selbsthaltung auf und der Motor bleibt stehen.
Das ist perfekt! Genau so wollte ich es haben, sagt Herr Schöntal. Wobei nein, eigentlich fehlt mir noch etwas ganz bestimmtes. Bei den Strompreisen will ich sparen. Wenn ich also nur mit dem Fahrrad in die Garage will, muss es sich nicht ganz öffnen. Ich will das Tor also auch anhalten können.
Kein Problem sagt der Elektriker, deshalb sind sie ja bei uns im Fachgeschäft. Wir bauen noch einen Taster ein, der das Tor anhält.
Das nennt man eine KOMBINIERTE Schaltung, da eine "UND-" und auch eine "ODERschaltung" vorhanden sind. Die UND Schaltung ist zwischen B1/B2/F1/ und die ODER Schaltung ist zwischen K1/K2. UND & ODER sind in dieser Schaltung also KOMBINIERT.
Kombinierte Schaltung für das Garagentor:
Ja da kommen wir schon nahe heran. Nun will ich aber nicht jedesmal aussteigen, um das Tor wieder zu schließen. Es soll nach 5 Minuten von alleine zugehen, aber wenn ich es will, soll es auch offen bleiben.
So, nun habe ich das auch gelöst. Aber wisst ihr auch, wie die Schaltung funktioniert? Nein? Dann will ich es euch kurz erklären:
Das Tor ist zu
Der Taster S1 wird gedrückt und der Schütz K1 zieht an
Kontakte 13/14 lassen Q1 anziehen
Kontakte 23/24 halten den Schütz, nachdem S1 losgelassen wird
Kontakte 33/34 lassen die Zeitschaltuhr anziehen
31/33 verriegeln den Schütz K2
Q1 ist angezogen und der Motor dreht sich nach oben.
K3 bekommt Spannung und zieht an. 13/14 der Schütz hält sich selbst und eine Zeitschaltuhr beginnt zu "laufen"
Der Rolladen ist ganz oben, B2 öffnet sich und K1 fällt ab
Nach 2 Minuten schließt sich der Kontakt von K3 17/18 und K2 zieht an.
K 2 zieht an Kontakte 13/14, der Motor läuft rückwärts und der Rolladen schließt sich
31/32 im Strompfad 2 verhindern über die Verriegelung dass K1 anziehen kann.
Der Rolladen ist ganz unten und öffnet B1 und K2 fällt
Kontakte K2, 13/14 öffnen sich. Der Motor bleibt stehen
Kontakte K3, 13/14 öffnen sich und die Zeitschaltuhr wird zurückgesetzt
Zusätzlich kann
Durch B3 zieht K4 an
21/22 das Tor hält an
31/32 die Zeitschaltuhr wird zurückgesetzt.
Fertige Schützschaltung für das Garagentor mit Antrieb:
So bin ich nun rundum zufrieden, nur ein paar Kleinigkeiten noch :-). -Na wenns weiter nichts ist :-). -Also ich würde gerne verhindern, dass sich das Tor bewegt, wenn etwas unter dem Tor ist. Meine Nichte oder mein Auto zum Beispiel. Und als Letzes hätte ich noch gerne dass, an der Tafel sichtbar ist was die Schaltung gerade tut. Sie meinen Lampen?, fragt der Elektriker. Ja, sagt Herr Schöntal. Ok das machen wir. Dann bauen wir aber noch einen richtigen Motorschutz ein. Alles klar meint Herr Schöntal, so machen wir das.
Da fragt Herr Schöntal, was diese Sonderanfertigung nun kostet. Der Elektriker rechnet kurz und sagt es Herrn Schöntal. Der schaut den Elektriker kurz an und lacht. Dann geht und bestellt sich eine Fertige Schaltung.













