Teil 1: Planung und Auslegung der Klimaanlage
Teil 2: Einbau Wärmepumpe mit Verrohren, Elektrischem und Luftteschnischem Anschluss und Kondensat
Teil 3 in Betriebnahme, Fertigstellung, Verbesserung
Schon lange wollte ich eine Klimaanlage für unsere oberen 4 Zimmer. Das Dach ist zwar einigermaßen gut Isoliert aber nach 4-5 Tagen Hitze wird es einfach unerträglich heiß unter dem Dach. Da es sich um die Kinderzimmer handelt gab es einige wichtige Kriterien: leise, hygienisch, einfach zu bedienen und eine möglichst nicht sichtbare Montage.
Klima Lösungen
- Internet selbstbau Anleitung
Alle Intenetlösungen von Ventilator mit nassem Lappen bis hin zu Eiswürfel in Wasser auflösen kommen für mich nicht in Frage. Weil sie einfach nicht funktionieren, meist viel Geld kosten und es im schlimmsten es eine rießen Sauerei gibt.
- Multisplit Klima
Für jedes Zimmer ein Innengerät und dazu ein Außengerät, wäre durchaus möglich. Aber kostet viel und vor allem muss für jedes Zimmer eine Leitung gezogen werden und in jedem Zimmer hängt ein Wandgeräte. Was nicht so schön ist, nicht so gut zu reinigen und ich habe das Kondensatwasser in jedem Zimmer.
- Singelsplit für jedes Zimmer
Vermutlich etwas günstiger aber immer noch die gleichen Probleme wie beim Multisplit Klimagerät.
- Kanalgerät
So bin ich auf die Kanalklimageräte gekommen. Keine Gerät im Zimmer, super leicht und gut zu reinigen (Blech weg und man ist an Lüfter und Wärmetauscher), kein Kondensat im Zimmer. Aber der Preis ist höher pro Kanalgerät und groß sind sie auch noch. Was ich aber besonders gut finde, der Lüfter sitzt vor dem Wäremtauscher, wie bei Wandgeräten wo der Lüfter dahinter sitzt. Was die Schimmelbildung am (kaum zu reinigendem) Lüfterrad verhindert.
Deshalb wollte ich ein Kanalklimagerät für alle Zimmer. Zuerst einfach mit pauschaler Luftverteilung in alle Zimmer. Aber das ist bestimmt keine so tolle Lösung, deshalb bekommt jedes Zimmer eine Zuluftklappe und der Luftansaug erfolgt über den Flur bzw. unter der Türe des jeweiligen Zimmers. Möglich wäre natürlich auch ein Kanalgerät für jedes Zimmer aber dafür ist der Dachboden doch etwas zu klein. Nachdem der Entschluss gefasst war ging es an die Planung.
- Nur Kühlen oder Wärmepumpe
Da eine Klimaanlage Strom verbraucht kostet sie natürlich nicht nur einmal Geld sonder jeden Sommer. Deshalb wollte ich ein Singlesplit Gerät zum Kühlen und Heizen. So spare ich im Winter das Geld mit Heizen ein, dass ich im Sommer mit Kühlen verbrauche. Zudem geht die Wärmepumpe als Heizung im Sommer um 6.00 Uhr an so dass die Zimmer bis 6.30 schön war sind, wenn die Kinder aufstehen. Im Sommer geht die Klima um 17.30 Uhr an damit die Zimmer bis zum schlafen etwas abgekühlt sind. In der ganzen anderen Zeit kann man die Klimaanlage zudem über ein Thermostat bedienen. Dazu aber in der Regelung mehr.
-Welcher Hersteller
Für mich kam eigentlich nur ein Hersteller in Frage. Mitsubishi Electric, zum einen weil ich diese Geräte schon seit Jahren einbaue und dann nie wieder etwas von ihnen höre, weil sie einfach laufen und funktionieren. Naja fast, einmal im Jahr bin ich zwar zur Wartung da aber sonst laufen die Anlagen ohne eine Störung. Verdichter habe ich erst zwei Stück getauscht weil der Regelungsmensch ihn alle 15 min aus und eingeschaltete hat. Das kann kein Verdichter. Ohne hier Werbung machen zu wollen, aber ich kann hier eine klare Produktempfehlung für Mitsubishi electric geben, egal ob M-Serie, Mr. Slim, City Multi oder Ecodan Heizung. Unter der Bedingung dass sie richtig eingebaut ist, laufen die Anlagen zuverlässig und Störungsfrei, zumindest habe ich diese Erfahrung gemacht und ich baue viel Me. ein.
Planung Teil 1
Hier mal ein Auszug aus dem Planungshandbuch von den Kanalgeräten. Ein weiterer Vorteil von Mitsubishi Electric zeigt sich hier. Unter www.mitsubishi-les.com (von dieser Seite stammen auch die folgende Bilder) gibt es nicht nur Planungsunterlage sonder auch alle Anleitungen, Dokumente und Beschreibungen, was mir schon viel Arbeit und Sucherei erspart hat.
Von der Leistung würde in ein SEZ KD 35, 50 oder 60 gehen, wobei die KD35 Leistungsmäßig eher am Limit wäre, wenn alle 4 Zimmer 100% Leistung brauchen. Wenn man die Nenn-Kühl- und Heizleistung der drei Geräte vergleicht fällt auf dass zwischen der KD 35 und der 50 eine viel größere Differenz ist als zwischen der KD 50 und der KD 60 ist. Preislich macht die KD 50 und 60 keinen großen Unterschied mehr. Würde eigentlich nichts mehr gegen die KD 60 Sprechen. Aus ein paar Gründen nehme ich aber die KD 50.
- E ist für das Gerät besser wenn es eher auf einer höhern Leistung arbeitet, also einen höheren Volumenmassenstrom (Kälteseitig) hat und der Verdichter nicht immer so bei 20% rum gurkt. Wegen der Effizient und der Ölrückführung um nur zwei Gründe zu nennen.
- Eine Leitung mit 6/12 ist um Welten einfacher zu verlegen als ein 6/16 Leitung. Eine 16mm Leitung ist gleich abgeknickt, passt in kein Leerrohr eine 12mm Leitung muss man schon mit der Hand sehr eng biegen um sie zu beschädigen. Da ich durch ein HT-Rohr DN90 ins Haus und dann unter der Dusche bis in den Dachboden möchte, ist das schon ein wichtiger Aspekt.
- Wenn man den Luftvolumenstrom anschaut und meine Tellerventiel (dazu unten mehr) dann bin ich mit der KD 50 viel besser und ein bisschen Leiser.
- Als letztes ist die Größe des Gerätes noch ein Grund. Das KD 60 wäre anstatt 900mm, 1100mm groß. Was zwar nicht die Welt ist aber auf dem Dachboden etwas ausmacht.
Das passende Klima Außengerät ist dann auch schnell gefunden, da es nur zwei gibt die zu dem Innengerät passen.
Dazu noch eine PAR 32 Fernbedienung, weil diese günstige und gut zu bedienen ist. Damit sind das Innen und das Außengerät inklusive Fernbedienung schon mal erledigt. Was noch fehlt sind die Luftauslässe und die Steuerung. Die mitsubishi melcloud finde ich zwar recht gut, passt aber in diesem Fall nicht zu meinen Regelungsvorstellungen, dazu aber unten mehr.
Luftaußlässe
Ein Tellerventil lässt die Luft in den Raum strömen und verteilt die Luft im Raum. Deshalb kann man den Schlauch nicht einfach in den Raum hängen lassen oder einfach ein Lochblech als Abschluss nehmen. Der Volumenstrom wird über das rein und raus drehen des Tellers verändert. Auf der Suche nach einem passenden Tellerventil, bin ich den Datenblätter von Trox Technik (von dieser Seite stammen auch die folgenden Bilder) dann fündig geworden.
Zuerst wollte ich nur ein 160mm Ventil im Raum haben aber ein Blick ins Datenblatt verrät dass das keine gute Idee ist. Bei einem 160mm Ventil das mit 20mm Spaltbreite voll geöffnet ist, habe ich ein Volumen von 180 m3/h. Das Kanalgerät hat auf der mittleren Stufe aber schon 750 m3/h und es kann gut sein dass nur ein Raum in Betrieb ist. Zwei 200mm Ventile habe schon 640 m3/h, natürlich abzüglich Widerstand von Rohr und Kanal.
Wird durch den kleineren Luftvolumenstrom weniger Energie am Wärmetauscher abgenommen, regelt der Verdichter seine Drehzahl herunter. Deshalb auch das KD 50 und nicht das K60 Gerät. Die Zimmer schalte ich über Belimo Absperrklappen mit Dichtungen und Klappenantriebe zu bzw. weg. So sollte das ganze mit einem Kanalklimagerät und 4 Zimmern funktionieren. So sieht das Ganze im Lüftungsplan aus (leider habe ich kein Lüftungsprogramm).
Das Außengerät sitzt hinter dem Haus (keine Nachbarn in Hörweite :-)). Von Dort geht die 6/12mm Kälteleitung zum Kanalgerät. Die Luft wird unter den Türen mit großem Spalt angesaugt und erwärmt oder abgekühlt und dann über vier Isolierte Alufelxrohre und die Klappen in die Zimmer verteilt. Durch das Aufteilen vor den Zimmern auf 2x200mm Tellerventil die zu 80% aufgedreht sind (20% sind Reserve), wird das Geräusch flüsterleise und ist quasi nicht zu hören.
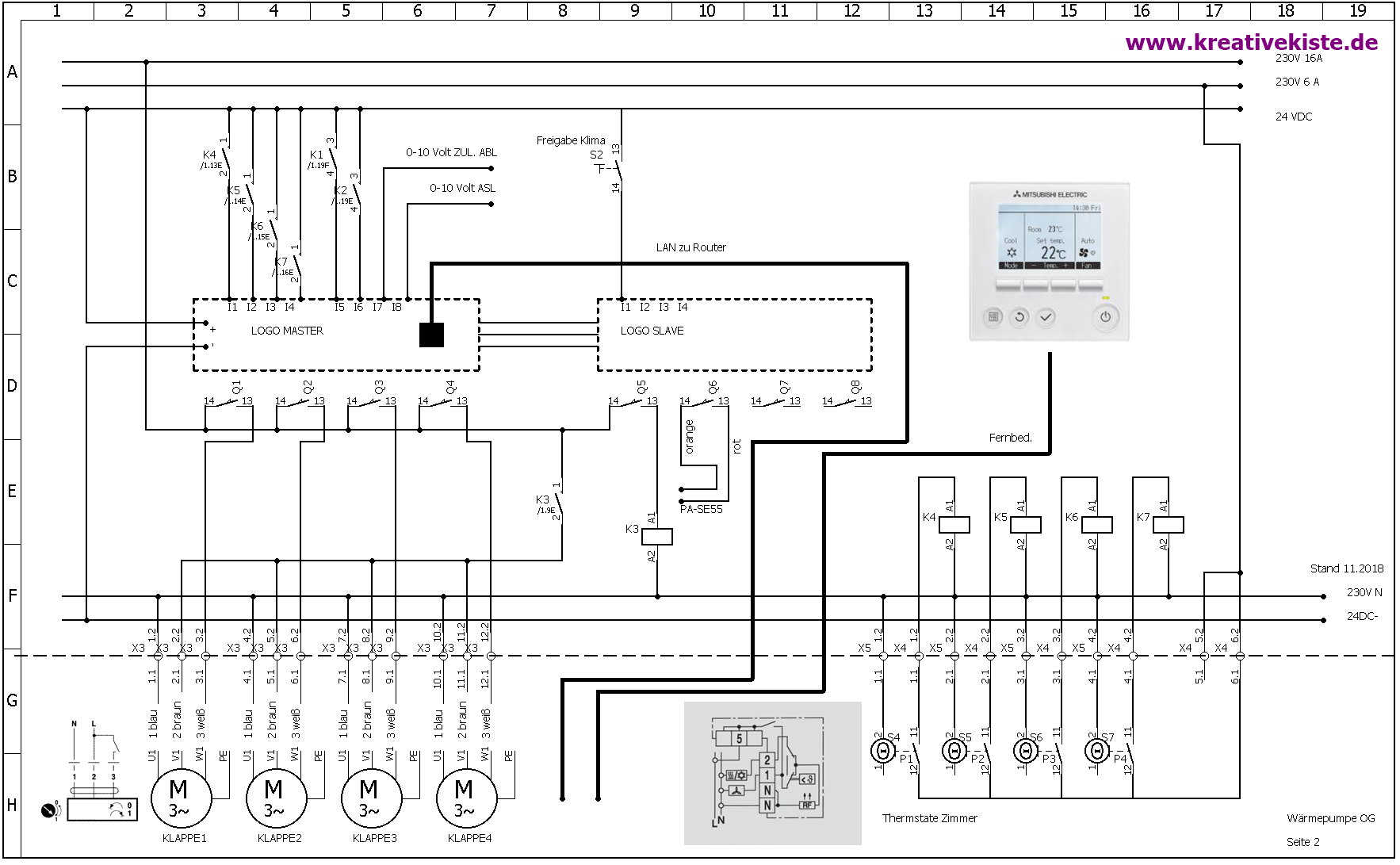
Steuerung der Anlage über Logo und PAC Stecker
Die Steuerung der Klimaanlage kann natürlich nicht über die Fernbedienung erfolgen, da ich 4 Zimmer an einem Kanalgerät angeschlossen habe, was Mitsubishi so zwar nicht vorsieht, für mich aber eine super Lösung ist. Die Fernbedienung brauche ich nur um die Betriebsart und die Lüfterstufen einzustellen. Der Sollwert ist immer auf MAX gestellt, da die Räume ja „melden“ wann der Sollwert im Raum erreicht ist. Die Regelung der PAR 32 macht ja nichts anderes, es wird ja nicht die Zulufttemperatur geregelt sondern die Fernbedienung schaltet ab wenn der Sollwert im Raum erreicht ist. Deshalb steht die PAR im Sommer auf 18 Grad und im Winter auf 30 Grad, das heißt ja nur, kühle bzw. heize bis die Logo über das PAC Stoppt.
PAC-SE55 und PAC-SA88
Über das PAC-SE55 SW-1 schalte ich das Gerät ein und aus, je nachdem was der Sollwert in den Räumen möchte. An SW-2 ist ein Schalter am Schaltschrank angebracht, hier könnte ich die Fernbedienung sperren. Mehr dazu im Logo Programm unten.
Über das PAC-SA88 lese ich die Betriebs und Störungmeldung aus. Da die LOGO 8 auch einen Webbrowser hat, kann ich zudem aus der Ferne den Betrieb bzw. die Störungen abfragen.
Elektrische Anschluss
Der Anschluss an das Kanalgerät und das Außengerät ist rel. einfach. Am Innengerät kommt auf CN51 und CN32 mein PAC Kabel, die über SW1/2 angesteuert werden. CN3C ist der Anschluss für die Kabelfernbedienung und über S1S2S3 wird das Klimagerät verbunden. Wobei S2S3 eine Pulsierende Gleichspannung ist, weshalb hier keine zusätzlichen Verbraucher angeschlossen werden dürfen. !!!Sollte eine Kondesatpumpe erforderlich sein kann diese an CNP und der Schalter an CN4F angeschlossen werden.
Der Schaltplan ist recht übersichtlich auf drei Seiten gezeichnet.
Das Außengerät bekommt eine 20 A Sicherung aus dem Sicherungskasten im UG. Das Kabel geht dann weiter zum Schaltschrank wobei ich die LOGO mit F6 und den Rest mit F16 Absichere. Als erstes meine beiden PACs, wobei das SA-88 12 Volt DC Relais braucht. Danach das Netzteil der LOGO und die beiden Kontakte des PAC-SA88 für Störung und Betrieb.
Die 4 Raumthermostate schalten jeweils einen Eingang der Logo über ein Relais auf HIGH -> I1 bis I4. Da die Belimo Motoren zum zufahren nur an weiß Spannung brauchen und ich nicht 4 weitere Kontakte verschwenden wollte habe ich die weißen Kabel alle auf einen Kontakt und ein Relais (K3) gelegt. So kann ich nach dem zufahren die Motoren ganz Spannungsfrei schalten. An I7 und I8 liegt noch ein Zuluft und ein Luftansaugfühler. Nicht dass ich diesen für die Regelung brauche aber wenn ich schon online auf die Regelung zugreifen kann dann ist es gut zu wissen was für Temperaturen ich habe. Ggf. schalte ich die Klimaanlage auch noch über den Zuluftfühler ab. Sollte ein Thermostat defekt sein oder ähnliches würde die Klima einfach weiter arbeiten. Wenn die Zuluft auf unter/ über einen Wert fällt dann schalte ich sie ab aber das ist noch nicht sicher.
Die Software in Logo
Über Wochenschaltuhren sperre ich den Betrieb ganz. In der Nacht muss das Gerät nicht laufen, unsere Heizungspumpe arbeitet da auch nicht und nachts war uns noch nicht kalt. Zudem müssen die Zimmer nachts nicht Klimatisiert werden, wenn sie einmal kühl sind, bleiben sie das auch über Nacht. Über eine zweite Wochenschaltuhr kann ich das Klimagerät fern ein/aus Schalten. Das ist vor allem Samstag und Sonntag morgen wichtig, wenn die Kinder länger in ihrem Zimmer sind und unter der Woche kurz vor dem in die Schule gehen. Sonst können die Raumthermostat die Anlage einschalten und ausschalten, wobei jeder Thermostat auch ein AUS-Funktion hat. Neben der Schaltuhr kann über ein Schalter am Schaltschrank und über den Störkontakt das Gerät ganz ausgeschaltet werden.
Das Klimagerät wird über eine ODER Schaltung gesteuert. Hat mindestens ein Raum Anforderung ist das Gerät so lange in Betrieb bis der letzte Raum seinen Sollwert erreicht hat. Die Thermostate habe ich jeweils über ein Zeitrelais gesteuert. Sollte jemand an Thermostat einschalten und es sich dann anders überlegen, schaltet das Gerät nicht gleich ein und die Klappe hat Zeit zum auffahren. Zudem bleibt es nach erreichen des Sollwertes noch kurz an um ein Takten zu verhindern, da die Thermostate eine relativ kleine Divergenz zwischen SOLL und IST haben.
Fernüberwachung der LOGO
Damit ich die LOGO aus der Ferne überwachen und steuern kann, habe ich mich für das Virtuelle LT Modul entschieden, da der Web Editor eher schlecht ist.Hier die Tastensteuerung und die Textfelder für das LT. Natürlich nur virtuell, ich habe an der Logo kein LT aber das brauche ich nicht, da ich nur online drauf zu greife.

Mit F1 und F2 werden die Uhren durchgeklickt und mit der Maus und der Tastatur können dann die Zeiten verändert werden. Mit F3 können dann Betriebszustände ausgelesen werden. Das funktioniert echt super über den Webbrowser. Spaßes halber habe ich auch eine Website für die Logo erstellt aber so wirklich gut ist es nicht. Schade da Siemens ja super Lösungen bereits im Haus hat.
So sieht es bei einer Störung aus, im Betrieb drehen sich die Lüfter und der schwarze Kreispfeil wird grün und dreht sich. Nett aber nicht wirklich gut, vor allem was die Wochenschaltuhr angeht. Was mich aber wirklich nervt sind die Zuordnung aber vielleicht tut sich da noch was.
So alle Teile sind bestellt, nun geht es an den Schaltschrankbau, das Fundament für die Wärmepumpe und die restliche Installation -->







