Wer daheim basteln und experimentieren will, der braucht ein Labornetzteil. Und weil diese sündhaft teuer sind, bauen wir das. In ein Gehäuse eurer Wahl wird die Elektronik eingebaut. Hier findet ihr die Schaltpläne und Bauanleitung.
Ich habe als Gehäuse einen alten Gasmelder verwendet. Auf die Gehäuseplatte habe ich die Anschlüsse geschraubt und im Innern die Elektronik untergebracht.
Regelbares und stabilisertes Netzteil Bauanleitung:
Der erste Schaltplan zeigt ein Regelbares Netzteil von 0,5 bis 28 Volt. Das habe ich in meinem Netzteil zwar nicht verwendet aber es ist die einfachste Möglichkeit ein regelbares Netzteil zu bauen.
Der LM 317 regelt die Spannung nach der Vorgabe des Potis. Der Trafo liefert 30 Volt Wechselspannung und der Gleichrichter macht daraus eine Gleichspannung. Die Kondensatoren glätten die Spannung und sorgen kurzzeitig für etwas mehr Power. So könnt ihr an dieses Netzteil durchaus auch mal einen Motor ranhängen.
Hier die Schaltung die ich gebaut habe. Sie ist fast gleich, nur dass ich zwei Potis eingebaut habe. Damit lässt sich die Spannung von 1-10 Volt sehr genau regeln und die Spannung von 1-28 Volt in etwas grösseren Schritten regeln.
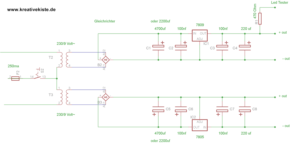
Festspannungs und stabilisiertes Netzteil Bauanleitung:
Damit ich nicht bei jedem Versuch die Spannung am Poti einstellen muss, habe ich gleich 2 Festspannungsregler eingebaut. Einen für 5 und einen für 9 Volt und zudem noch gleich einen LED Tester. Die Spannung wird von zwei ICs konstant geregelt. Die Kondensatoren sorgen auch hier für eine Glättung und Stabilisierung der Spannung.
Wem die 30 Volt Trafos zu teuer sind oder gerade keinen zur Hand hat, der kann einfach zwei 9 Volt Trafos oder 3,5 Volt Trafos verbinden. Das ist zwar etwas Fleißarbeit aber wenn man schon am Löten ist...
Weiter Features am Netzteil:
- Die beiden unteren Buchsen sind ein Durchgangsprüfer, den man immer brauchen kann und warum nicht gleich am Netzteil selber dran? Platz hatte es ja noch und hier geht es der Bauanleitung.
- Weil ich selber oft mit 230 Volt arbeite, zum Beispiel mit Relais für den Arduino, habe ich mir gleich noch 230 Volt Buchsen eingebaut.
Achtung:
Das Arbeiten mit 230 Volt kann lebensgefährlich sein, bittet beachte die gängigen Vorschriften und baut nur mit 230 Volt, wenn ihr eine ausgebildet Fachkraft seid.







